16-bit, 8-channel ADC GX7606 Compatible with AD7606 for Multi-axis Positioning Systems
Time:2024-03-11
Views:1412
In multi-axis positioning systems, ADCs are typically used to receive signals from sensors or other analog sources. By converting these analog signals to digital signals, multi-axis positioning systems can acquire and process these signals more accurately, enabling more precise positioning and control. This article recommends using the GXSC ADC GX7606 for use in this system.

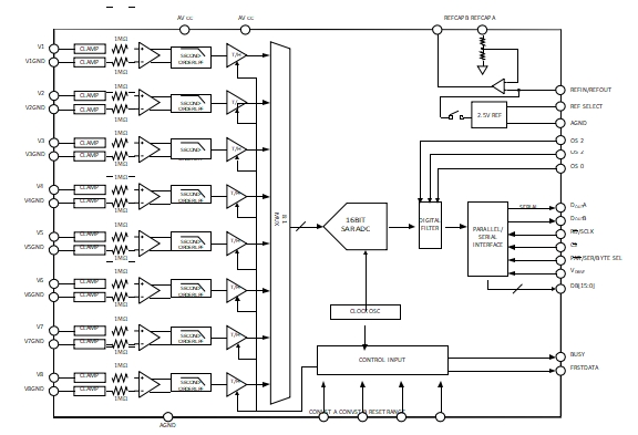
GX7606 is a 16-bit 8-channel synchronous sampling ADC, using a single 5V power supply, can handle ± 10V and ± 5V true bipolar input signals, at the same time, all channels can be up to 200kSPS throughput rate sampling, analog input impedance are 1MΩ; chip application features:
1、True bipolar analog input range: ±10V, ±5V
2, performance
- Analog input channels provide 7kV ESD rating
- 87.5dB SNR, -102dBTHD
- ±1.0LSB INL, ±0.8LSB DNL
- Low power consumption: 100mW
- Standby mode: 25mW
3、Fully integrated data acquisition solution
- Analog input clamp protection
- Input buffer with 1MΩ analog input impedance
- Second-order anti-alias analog filter on-chip precision reference voltage and buffer
- 16-bit, 200KSPS ADC (all channels)
- Sampling provided by digital filtering





