GX2245 Available for Industrial High-Speed Acquisition Boards, Replaces LTC2245
Time:2024-03-13
Views:1393
As the number of data-intensive tasks in industrial systems increases, systems need to prevent system failures by making quick decisions, which increases the need for faster speeds and higher accuracy. This article focuses on a GXSC single-channel 14-bit ADC GX2245 for use in industrial high-speed acquisition boards.
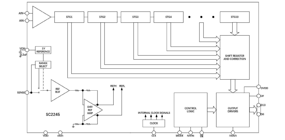
When the signal input to the acquisition board, by the multi-channel analog receiver for amplification, low-pass filtering processing after the A/D conversion, and finally digital processing. GX2245 is a multi-stage differential pipeline architecture of the ADC, which is built-in high-performance sample-and-hold circuits and on-chip reference voltage source, and support for the sampling rate of 80MSPS / 65MSPS / 40MSPS / 25MSPS / 10MSPS. For more information, please feel free to contact us at service_jesseli@gxschip.com.

Designed to digitize high-frequency, wide dynamic range signals, the GX2245 is powered by a 3V analog supply, with a separate output power supply capable of driving 0.5V to 3.6V logic circuits. With a 72.8dB signal-to-noise ratio and 85dB spurious-free dynamic range at 80MHz sampling, the ADC can be used for input signals well beyond Nyquist frequencies.





